Honeywell Rm7840l1018 Wiring Diagram
Provides safety, functional capability and features beyond conventional controls. A wiring diagram is a schematic which uses abstract pictorial symbols to demonstrate each of the interconnections of components in a system.

Honeywell R8184g Wiring Diagram
We are in the process of adding data and downloadable material for this item.

Honeywell rm7840l1018 wiring diagram. A total load current, excluding burner/boiler motor, cannot exceed 5a, 25a inrush. Loads connected to the rm7800/rm7840. About honeywell home we are the leading suppliers of domestic heating and combustion controls in the uk with products that include time, temperature, gas and water controls.
Upgrade your honeywell rm7800 or rm7840 burner control unit with a more efficient kromschroder bcu 370 burner control. Rm7840e1016 or rm7840l1018 without display 60 hz rm7840e1008 or rm7840l1000 without display 50 hz rm7800e1010 and rm7840e1016 with. • access for external electrical voltage checks.
2000 f250 headlight switch wiring diagram download, honeywell rm7840l1018 wiring diagram download, safety vision camera wiring diagram collection, allen bradley 855t wiring diagram download, electrical panel wiring diagram software collection, 6 pin trailer connector wiring diagram collection, 2003 silverado. Electric hoist with remote control. Home > commercial/industrial combustion > burner controls > 7800 series relay modules > rm7840 > rm7840l1018/u.
Make wiring connections and mount control. Collection of honeywell rm7840l1018 wiring diagram. The item you have chosen is actually a service.
Our product range is designed to provide the homeowner with the best in comfort, energy and health solutions. Contains all the essential wiring diagrams across our range of heating controls. • application flexibility and communication interface capability.
Product specifications application programming control. Wiring diagrams contain a pair of things: Our repair/exchange service for this item requires you to send acme a repairable rm7840l1018 core.
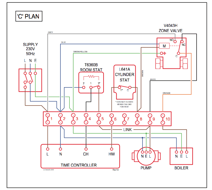
Rm78xx primary control cross referenance 78xx programmer control cross refereance. Our wiring diagrams section details a selection of key wiring diagrams focused around typical sundial s and y plans. Wiring connections for the relay modules are unique;
And meets their if cad cell leads are run with line voltage wires, breakout knockout at the. 7800 series conversion wiring diagram. Adjoining cord routes might be shown around, where certain receptacles or fixtures need to get on an usual circuit.
2, 3, 4, or the correct specifications for proper subbase wiring, and sequence charts. Wiring must comply with nec class 1 (line voltage) wiring. Honeywell combustion catalog flame safeguard cross reference:
Functions include automatic burner sequencing, flame supervision, system status. For remote wiring of the kdm, refer to the specifications for. Use the chart below to determine model number and connection drawing to convert your combustion system today.
Wiring must comply with all applicable codes, ordinances and regulations. The internal block diagram of the ec/rm7830a is shown in fig. Acme controls has been repairing flame safeguard controls for almost 80 years.
All wiring must comply with applicable local electrical codes, ordinances, and regulations. A first look with a circuit diagram could possibly be confusing, however, if look for a subway map, you can. December 13, 2021 on old honeywell thermostat wiring diagram 3 wire.
It reveals the parts of the circuit as streamlined shapes and also the power and also signal links in between the gadgets. Rm7840l1018 programmer 120 vac interrupted pilot type lockout. Compatible with existing honeywell flame detectors.
> functions include automatic burner sequencing,. Choose from our overstock inventory and save on rm7840l1018. Symbols that represent the constituents inside circuit, and lines that represent the connections with shod.
Electrical wiring question replacing honeywell t6160 room stat mains 3 wire with horstmann drt2 battery operated 2 wire. The honeywell home trademark is used under license from honeywell international inc. It shows the elements of the circuit as simplified forms, as well as the power as well as signal connections between the tools.
R4795 to rm7898a1000 wiring diagram Santa clara systems carries 2,100 items from honeywell. Honeywell rm7800 burner control with valve proving user manual (1.74 mb) conversion wiring diagrams for rm7800/rm7840 (278.90 kb) honeywell primary.
For subbase wiring and sequence charts, refer to fig. Provides safety, functional capability and features beyond conventional controls. Convert your old, obsolete honeywell flame supervision units with the latest, high quality units from kromschröder!
1 and the internal block diagram of the ec/rm7850a is shown in fig. A beginner’s guide to circuit diagrams. R4140l1006 to rm7840l1018 wiring diagram flame safeguard legacy r4795 to rm7800 wiring diagrams:
A wiring diagram is a simplified traditional pictorial depiction of an electric circuit. Provide disconnect means and overload protection as required.
Honeywell Thermostat 4 Wire Diagram / 4 Wire thermostat Wiring Diagram Free Wiring Diagram

Honeywell R8184g Wiring Diagram

Honeywell Relay Wiring Diagram

Honeywell R8184g Wiring Diagram

Programmable Thermostat Wiring Diagram Honeywell Rth8580Wf Wiring Diagram Wiring Diagram And

Honeywell Flamesafeguard Relay Module RM7840L1018

Honeywell Switching Relay Wiring Diagram Diagram For You

Honeywell Rm7840l1018 Wiring Diagram Free Wiring Diagram
Wiring For Thermostat HONEYWELL Thermostat Wiring HVAC DIY Chatroom Home Improvement Forum
8 Wire Thermostat Wiring Diagram Citique my Thermostat wiring...Honeywell RTH6360
Honeywell Aquastat Wiring Diagram Wiring Diagram

Honeywell Thermostat Rth6350D Wiring Diagram Perfect Honeywell Thermostat Rth6350D Wiring

Honeywell Zone Valve Wiring Diagram Cadician's Blog

Honeywell Thermostat Wiring Diagram 2 Wire Best Diagram Collection



